emilspec
An Integrated Publishing, Inc. Site
eMilSpec
An Integrated Publishing Website
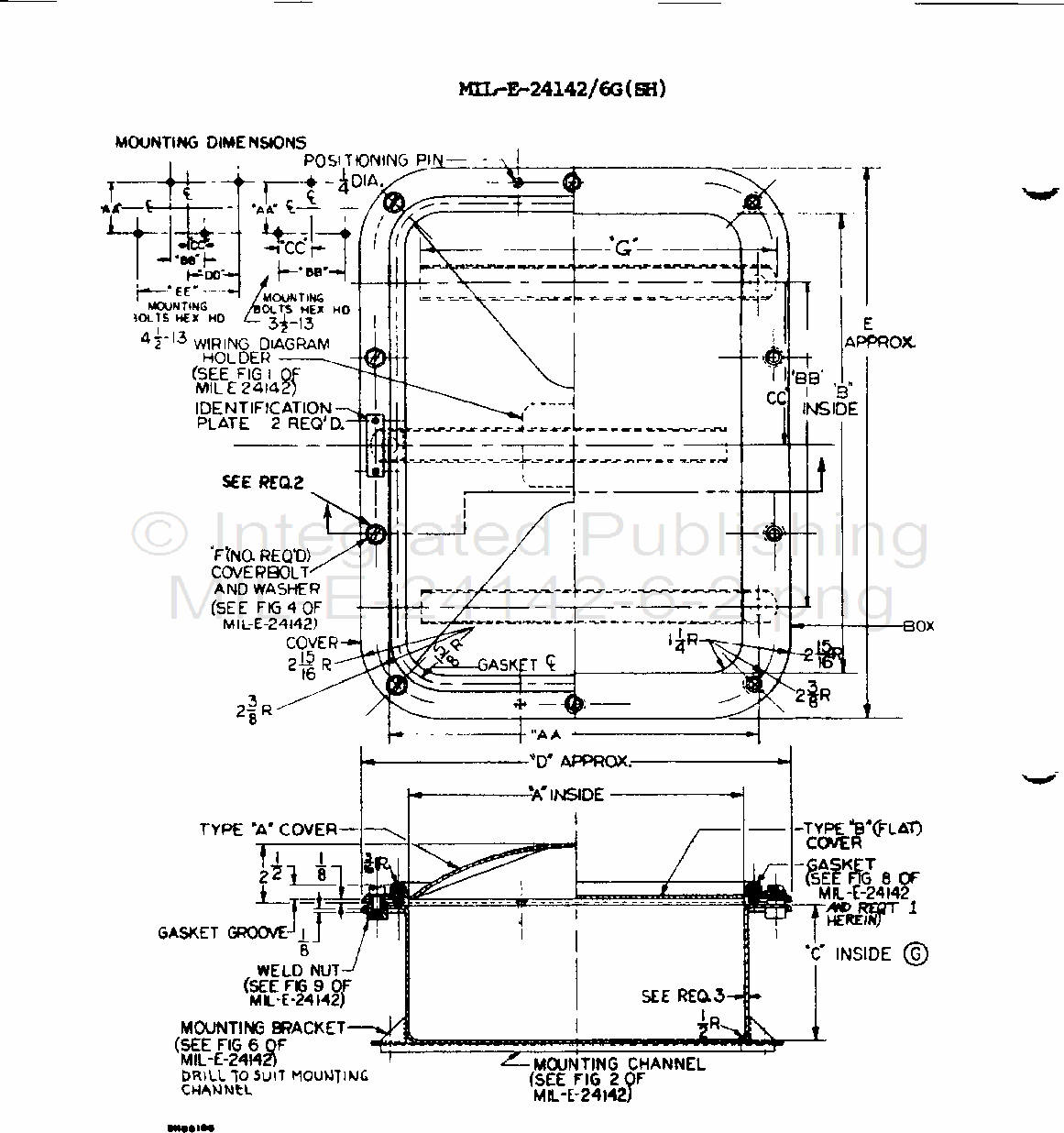
Enclosure, Submersible (15-Foot), Sizes 8 By 10 And Through 14 By 26
For Parts Inquires submit RFQ to
Parts Hangar, Inc.
© Copyright 2015 Integrated Publishing, Inc.
A Service Disabled Veteran Owned Small Business